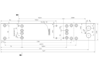
Placa de montagem da mola de porta * Para TS 5000 RFS KM / TS 4000 R(-IS) com esquema de furos conforme DIN EN 1154 adenda 1
- Com imagem dos furos conforme a DIN EN 1154 adenda 1
Áreas de aplicação
- Montagem do corpo da mola conforme o esquema de furos DIN
Especificações do produto
| Placa de montagem da mola de porta | |
| Placa de montagem com esquema de acordo com a adenda EN 1154 | Sim |
Transferências
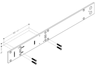
Variantes & Material de fixação
* Aviso sobre os produtos expostos
Os produtos acima mencionados podem variar em forma, tipo, caraterísticas e função (conceção, dimensões, disponibilidade, homologações, normas, etc.) dependendo do país. Em caso de perguntas, por favor contacte a sua pessoa de contacto GEZE ou envie-nos um E-Mail .