TS 4000 EFS * Contacto de fecho superior da porta com tirante para portas de uma folha até uma largura de folha de 1 400 mm com função free swing elétrica
- Força de fecho ajustável EN 1-6 progressivamente
- Tensão de serviço 24 V CC
- Para utilização em portas que abrem para a direita e para a esquerda sem conversão
- A função free swing possibilita a passagem da porta com reduzido esforço
- Função free swing após uma abertura da porta até aprox. 90°
- Central do interruptor de fumaça conetável, cujo sinal fecha automaticamente a porta em caso de incêndio
- Batente mecânico, que acelera a porta pouco antes da posição fechada
- A velocidade de fecho pode ser adaptada individualmente
- Indicação ótica da força de fecho para controlar facilmente o ajuste
- Todas as funções ajustáveis pela frente (exceto o batente)
Áreas de aplicação
- Portas de proteção contra fogo e fumaça
- Portas de encosto à direita e à esquerda
- Portas de encosto até larguras da folha de 1400 mm
- Montagem da folha da porta lado da dobradiça
- Sistemas de imobilização com imobilizador integrado com movimento livre
- Acessos sem barreiras conforme a DIN 18040
Especificações do produto
| TS 4000 EFS | |
| Força de fecho de acordo com a EN 1154 | EN 1 - 6 |
| Sem barreiras conforme DIN 18040 até uma largura da folha (máx.) em mm | 1400 mm |
| Largura da folha (máx.) | 1400 mm |
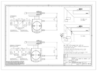
| Tipo de montagem | Montagem da folha da porta lado da dobradiça |
| Ângulo de abertura (máx.) | 180 ° |
| Tensão de entrada | 24 V DC |
| Adequação portas corta-fogo | Sim |
| Área de movimento livre | 80 ° - 175 ° |
| Força de fecho regulável | Sim, progressiva |
| Velocidade de fecho regulável | Sim |
| Batente final regulável | Sim, através do tirante |
| Posição do ajuste da força de fecho | Frente |
| Indicação ótica da força de fecho | Sim |
| Imobilização | Elétrico, para função Free Swing |
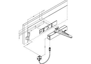
Transferências
Variantes & Material de fixação
* Aviso sobre os produtos expostos
Os produtos acima mencionados podem variar em forma, tipo, caraterísticas e função (conceção, dimensões, disponibilidade, homologações, normas, etc.) dependendo do país. Em caso de perguntas, por favor contacte a sua pessoa de contacto GEZE ou envie-nos um E-Mail .